Pular para o conteúdo principal

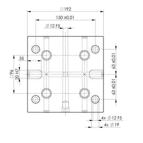
Quick•Point® 96, Placa de grade 192 x 192 x 27 mm, com furos de montagem para distância de fenda de 63 mm Número do artigo 45763

com furos de montagem para distância de fenda de 63 mm
com furos de montagem para distância de fenda de 63 mm com furos de montagem para lápide Quick•Tower

Endereço e contato

LANG Technik GmbH
Albstraße 1-6
73271 Holzmaden, Alemanha

Principais dados em um relance

Essa placa de grade é predestinada para mesas de máquinas com um espaçamento de ranhura de 63 mm. Devido às suas dimensões externas de 192 x 192 mm, o operador pode criar um sistema contínuo de grade de ponto zero de 96 mm alinhando várias dessas placas e colocando o dispositivo de fixação de trabalho sobre as placas. Da mesma forma, essa placa pode ser combinada com várias placas de grade, como a placa de grade de 2 ou 4 dobras.

Dimensões
192 x 192 x 27 mm
Borda de fixação incluída
Não
Possibilidade de grade de placas cruzadas
Sim
Tipo de fixação
Tensão única
Unidades de fixação
1 vez
Furos de montagem
para espaçamento entre ranhuras de 63 mm
Vias de acesso
20 H7
Furos de indexação M5
Não, mas é possível (serviço)
Unidade de embalagem
1 Peça
Peso
7.1 kg
Material
Aço

More features:

Torque

30 Nm

Torque máximo permitido

Tamanho do torno

125

Tamanho do torno adequado

Quick-Lock aplicável

Sim

O sistema de acionamento rápido pode ser acoplado

Tamanho do pino de fixação

20 mm

Diâmetro dos pinos de fixação adequados

Notas:
Escopo da entrega:
  • 1 x placa Zero-Point
  • 4 x tampas plásticas Quick•Point® ø 20 mm (número de item 45008-20)
  • Benefícios das placas simples Quick•Point

    • Variedade de versões Soluções para todos os tipos de máquinas e mesas giratórias disponíveis
    • Operação simples Fácil manuseio graças ao princípio funcional simples e mecânico
    • Modificabilidade Alto grau de personalização

    Sistema de fixação Quick•Point® Zero-Point

    O Sistema de Fixação de Ponto Zero Quick•Point® se caracteriza por uma gama particularmente ampla de variações e oferece uma solução para qualquer máquina-ferramenta. Seja em formato redondo, retangular ou quadrado, para fixação simples ou múltipla, ele pode ser usado universalmente em centros de usinagem verticais e horizontais, em mesas de 3 e 5 eixos e em sistemas rotativos ou trunnion de 4º eixo.

    • Flexibilidade Graças à ampla gama de variações, o Quick-Point® pode ser adaptado a qualquer máquina-ferramenta.
    • Fácil operação O princípio mecânico simples e robusto e o pequeno número de componentes garantem a máxima durabilidade com pouca manutenção.
    • Modularidade Seja alterando o tamanho do sistema ou usando componentes adicionais de ponto zero, o Quick-Point® pode ser complementado e expandido conforme necessário.

    Saiba tudo sobre os benefícios e a funcionalidade do nosso sistema de fixação de ponto zero Quick•Point®.

    Descubra agora

    Application pictures

    Application videos

    Transferências

    Modelos CAD
    Ficha técnica

    Serviços

    Teremos prazer em aconselhá-lo individualmente e adaptar seus produtos para a melhor aplicação possível.

    Entre em contato conosco

    Sistema de fixação Quick•Point® Zero-Point

    Descubra agora:

    Flexível, preciso e extremamente durável - com o sistema Quick•Point® modular, os tempos de configuração são reduzidos ao mínimo.

    Saiba mais
    Sistema de fixação Quick•Point® Zero-Point

    Solicitação de catálogo

    Solicite nosso catálogo atual gratuitamente!

    Ir para o formulário

    Experimente o futuro ao vivo

    Visite nosso centro de treinamento e tecnologia em Neuhausen.

    Mais detalhes